CM

發布日期 : 2019-06-24 Print

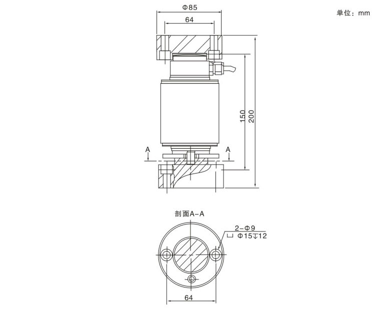
可用于汽車衡、軌道衡、料鬥秤等計量設備中。

Can be used in car weighter,orbit weighter, hopper weighter,metering equipment.

技術參數Technical Parameter
額定載荷Rated Load 10t,20t,25t,30t,40t
靈敏度Sensitivity 2.0000±0.002mV/V
綜合誤差Total Error ±0.02%F.S
蠕變Creep(30minutes) ±0.02%F.S
推薦工作電壓Recommended Excitation Voltage 5V~18V(AC or DC)
最大工作電壓Maximum Excitation Voltage 24V(AC or DC)
零點平衡Zero Balance ±1%F.S
輸入阻抗Input Impedance 380±10Ω   775±10Ω
輸出阻抗Output Impedance 350±5Ω  700±5Ω
絕緣阻抗Insulation Impedance ≥5000MΩ
安全過載率Safe Overload 150%F.S
極限過載率Ultimate Overload 200%F.S
工作溫度範圍Operating Temperature Range (-30~+70)℃
溫度補償範圍Compensated Temperature Range (-20~+60)℃
輸出溫度影響Temperature Effect On Load ±0.02%F.S/10℃
零點溫度影響Temperature Effect On Zero ±0.02%F.S/10℃
材質Construction 合金鋼Alloy Steel
防護等級Protection Class IP67&IP68
引用标準Citation GB/T7551-2008/OIML R60
接線方式Mode of Connection 輸入+E:紅 Input+ E:Red
輸出-S:白 Output- S:White
輸入-E:黑 Input- E:Black
輸出+S:綠 Output+ S:Green

電話 : 0086-0574-86810798  |  Email : sales@china-zpe.com  |  地址 : 浙江省甯波市北侖區新碶街道九華山路402号二樓-1
版權所有©2019   甯波衆鵬電氣有限公司  京ICP證000000号   浙公網安備33020602000981号